Exterior Rendering
Building Information Modeling (BIM) services have transformed the way engineering consultants approach the design and construction of complex projects. TAAL Tech’s BIM Services for Engineering Consultants offer a comprehensive set of tools and methodologies that enable engineering consultants to streamline their workflows, improve collaboration, and deliver more efficient and accurate solutions across various disciplines, including structural, mechanical, electrical, and civil engineering. Our tools and methodologies ensure that all components are precisely modelled and that they fit together seamlessly. This reduces the likelihood of errors during construction and minimizes the need for costly modifications and rework. At the core of BIM services for engineering consultants is the use of specialized BIM software that allows for the creation of detailed 3D models of a project. These models go beyond 2D drawings and serve as dynamic digital representations of the entire building or infrastructure, integrating all relevant information. Additionally, BIM models can generate detailed quantity take-offs, allowing engineering consultants to provide more accurate cost estimates and reduce the risk of budget overruns. For engineering consultants, this means creating and managing models specific to their expertise, such as structural analysis, HVAC (Heating, Ventilation, and Air Conditioning) design, electrical Crafting tomorrow’s structures with expert engineering
layouts, or civil infrastructure components. Services
Structural Analysis and Design
Compliance and Regulatory Reporting
Facility Management Integration
Risk Analysis and Simulation
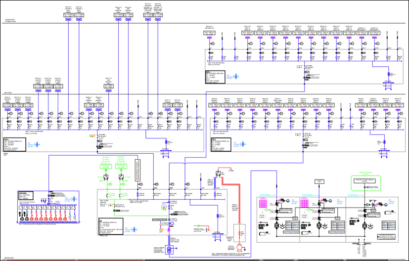
MEP Systems Design
MEP Model Coordination
Samples
Why TAAL Tech?
Secure better project outcomes and improved ROI with TAAL Tech’s digitized engineering support. Get started now!
















